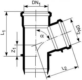
Trójnik HTEA
HTplus to kompletny system rur i kształtek kanalizacyjnych nowej generacji, spełniający rygorystyczne wymagania systemu niskoszumowego. Produkowany jest z tworzywa o udoskonalonej recepturze na bazie polipropylenu i składników naturalnych. Spełnia wszystkie warunki nowoczesnego, ekologicznego systemu kanalizacyjnego odprowadzającego ścieki.
Zastosowanie:
System HTplus przeznaczony jest do budowy instalacji odprowadzających ścieki bytowo-gospodarcze i deszczowe wewnątrz budynku, a także do budowy wentylacji. Tworzywo żaroodpornie stabilizowane, z jakiego wykonany jest system, wykazuje bardzo dużą odporność na działanie rozmaitych, w tym agresywnych, środków chemicznych i ścieków. Dzięki temu z powodzeniem może zostać zastosowany także m.in. w przemyśle chemicznym i farmaceutycznym.
Rury i kształtki HTplus wytrzymują długotrwały przepływ gorącej wody (do 90ºC w przepływie ciągłym i do 95ºC w krótkotrwałym), dlatego znajdują zastosowanie w gospodarstwach domowych oraz wszędzie tam, gdzie odprowadza się ścieki o wysokiej temperaturze.
Składniki mineralne, wchodzące w skład produktów systemu HTplus, przyczyniają się do zdecydowanej redukcji szumów i hałasu, co potwierdzają badania przeprowadzone przez Instytut Fraunhofera w Stuttgarcie. W związku z tym system HTplus wykazuje właściwości akustyczne przewyższające wymogi DIN 4109. Dzięki temu może być stosowany w budynkach, gdzie ochrona przed hałasem ma znaczenie.
Zalety systemu:
- Unikatowy nadruk skali centymetrowej bezpośrednio na rurach
- Kompletny system rur i kształtek w szerokiej gamie średnic: od DN 32 do DN 160
- Kształtki specjalne (m.in. wyczystki, czwórniki, złączki do połączenia z żeliwem)
- Łatwy i szybki montaż - niska waga produktów
- Lity przekrój ścianek z zastosowaniem udoskonalonej receptury
- Kompatybilność z innymi systemami kanalizacji wewnętrznej
- Duża estetyka wykonania
- Niewielka udarność mechaniczna
- 100% recykling rur i kształtek
Wymiary:
- DN1/DN2 [mm]: 40/40
- kąt α: 87º
- L1 [mm]: 117
- L2 [mm]: 51
- Z1 [mm]: 23








