KFA zawór zwrotny żeliwny do wody 1" 192-010-25
Zawór zwrotny żeliwny do wody 1"
Uniwersalność zastosowania: zawory żeliwne stosowane są w niemal każdej instalacji, obojętnie czy to przemysłowej, czy domowej. Stosując zawory grzybkowe zawsze pamiętać należy, by odpowiednio dopasować zawór do wymogów instalacji, w której jest montowany.
Maksymalna wytrzymałość: mosiężna głowica i gumowe uszczelnienie NBR pozwalają na zastosowanie zaworów KFA Armatura do cieczy gorących o maksymalnej temperaturze 90°C. Gniazda mosiężne skutecznie zapobiegają degradacji ich konstrukcji.
Gwarancja szczelności: ciśnienie aż do 1 mpa. Masywna konstrukcja zaworów żeliwnych wyróżnia się wysoką klasą szczelności, dzięki temu są one w stanie utrzymać wysokie ciśnienie – aż do 10 barów.
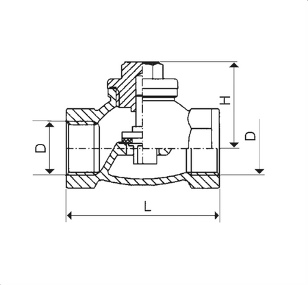
Dane techniczne:
- Typ: zawory zwrotne
- Materiał: żeliwo
- L [mm]: 85
- PN [bar]: 10
- Powierzchnia: śrutowana
- Przyłączenie: nakrętno-nakrętne
- H [mm]: 50
- Przelot: pełnoprzepływowy
- Wymiar D: 1"
Niepotwierdzona zakupem
Ocena: /5
Zapytaj o produkt
Niepotwierdzona zakupem
Ocena: /5
Napisz swoją opinię






