Geberit trójnik redukcyjny Mapress C-Stahl 54x22x54 21223
Marka
Podmiot odpowiedzialny za ten produkt na terenie UE
Geberit Sp. z o. o.Więcej
Adres:
Postępu 1Kod pocztowy: 02-676Miasto: WarszawaKraj: PolskaNumer telefonu: +48 22 376 01 02Adres email: geberit.pl@geberit.com
Symbol
21223
Kod producenta
4024723212232
Seria
Kolor
Biały
Długość
1 m
Średnica
54x22
Mapress C-Stahl - trójnik redukcyjny 54-22-54
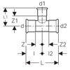
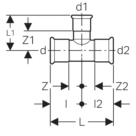
Wymiary:
- DN: 50/20/50
- d ø: 54 mm
- d1 ø: 22 mm
- d2 ø: 54 mm
- arc: 90 °
- L: 13,8 cm
- L1: 6,1 cm
- I: 6,9 cm
- I2: 6,9 cm
- Z: 3,4 cm
- Z1: 4 cm
- Z2: 3,4 cm
Przeznaczenie:
- Do wody chłodzącej i grzewczej bez środka zapobiegającego zamarzaniu
- Do wody chłodzącej i grzewczej ze środkiem zapobiegającym zamarzaniu
- Do wody ciepłowniczej ≤ 120 °C
- Do wody gaśniczej (mokro)
- Do tryskacza (mokro)
- Do instalacji domowych, w przemyśle i budownictwie okrętowym
Właściwości:
- Wskaźnik zaciśnięcia
- Połączenie szczelne dopiero po zaprasowaniu
- Ocynkowany zewnętrznie
- Uszczelka z CIIR czarna
- Mufa zaprasowywana z przezroczystą zaślepką ochronną
Niepotwierdzona zakupem
Ocena: /5
Zapytaj o produkt
Niepotwierdzona zakupem
Ocena: /5
Napisz swoją opinię








