Afriso grupa pompowa BPS 991 AP z zaworem termostatycznym ATM 561, pompa AFRISO APH 160 9099120
Promocja
Marka
Podmiot odpowiedzialny za ten produkt na terenie UE
AFRISO Sp. z o.o.Więcej
Adres:
Kościelna 7Kod pocztowy: 42-677Miasto: SzałszaKraj: PolskaNumer telefonu: 32 330 33 55Adres email: info@afriso.plOpis: Szałszy ul. Kościelna 7, 42-677 Czekanów
Symbol
9099120
Kod producenta
5902510010348
Mieszacz
Nie
Średnica
DN 25
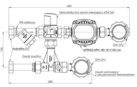
Grupa pompowa BPS 991 AP z zaworem termostatycznym ATM 561, pompa AFRISO APH 160
- Pompa obiegowa AFRISO APH 160.
- Termostatyczny zawór mieszający ATM 561 (Kvs 2,5 m³/h), zakres regulacji temperatury zasilania 20÷43°C.
- Filtr siatkowy chroni pompę oraz zawór mieszający przed zanieczyszczeniami.
- Zawory odcinające ze zintegrowanymi termometrami do kontroli temperatury medium na każdym przyłączu.
- Zawór zwrotny wbudowany w trójniku na przyłączu powrotnym.
- Tuleje do montażu czujników temperatury na każdym przyłączu.
- Możliwość montażu ze źródłem ciepła po prawej i lewej stronie.
Zastosowanie:
- Stosowana w instalacjach grzewczych i chłodzących.
- Montowana na rozdzielaczu ze sprzęgłem hydraulicznym BLH 890 lub między źródłem ciepła/chłodu a odbiornikiem.
- Przygotowuje medium o odpowiedniej temperaturze i tłoczy je na instalację.
Elementy dostawy:
- Uszczelki do połączenia źródła/rozdzielacza BLH 890.
Dane techniczne:
- Przyłącza od strony instalacji: GW G¾"
- Przyłącza od strony źródła: nakrętka G1"
- Obieg 1: ATM 561, Kvs 2,5 m³/h, 20÷43°C
- Zawór mieszający: zawór termostatyczny ATM
- Pompa obiegowa: AFRISO APH 160 15-7/130 mm, 230 V AC, 45 W
- Moc: max 70 kW
- Kvs: 2,5 m³/h
- Ciśnienie medium: max 6 bar
- Temperatura medium: max 90°C
- Medium: woda, mieszanina wody i glikolu o stężeniu maksymalnym 50%
Niepotwierdzona zakupem
Ocena: /5
Zapytaj o produkt
Niepotwierdzona zakupem
Ocena: /5
Napisz swoją opinię
















